在油井的开发生产中,随着井深的不断增加,对井下阀门的控制也更加困难,其主要问题是井下温度较高(当井下深度5000m以上时,其温度可达100℃以上)。另外,地面对井下阀门的供电及相应的控制也更难实现。因此,研制一种采用电池供电,并能较长时间按设定的要求独立工作于井下高温环境中的智能阀门控制系统十分必要。
本文设计的井下智能阀门控制系统,采用由单片机组成的计时与控制单元,配合多级封隔器,实现一次作业下井,配合地下计量和化验,按设定时间(也可根据需要使某些设定时间失效)进行分层和轮番采油。系统采用双CPU控制,主机能在现场完成数据录入、处理和显示。从机选用PIC单片机和硅振荡器,使系统可在125℃高温环境中长期工作。井下控制系统的平均工作电流小于0.2mA控制工程网版权所有,使用10盎司的电池供电,可连续工作1万小时。
系统工作原理
系统的基本工作原理是根据用户对油井测层的需要,在地面对准备下入井下不同深度目的层的各智能阀门进行多个开关时间设定控制工程网版权所有,然后连同封隔器及防砂管一齐下入井中。各智能阀根据所设定的时间打开或关闭相应的控制阀,(也可根据外界条件,使某次所设定的关阀失效),自动切换目的层,再配

图1:系统原理框图
系统主要有两部分组成:阀门动作时间设定器(下称主机)和井下阀门控制器(下称从机),系统原理框图如图1所示。主机设计为带有液晶显示的手持设备,可在地面对各从机进行多个时间设定,对设定的时间数据进行处理和显示CONTROL ENGINEERING China版权所有,并能对设定时间的正确与否做出判定。从机下到井下后,可根据所设定的时间,并与有关流量仪器配合动作www.cechina.cn,驱动电机拖动相应的阀门打开或关闭。
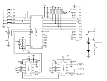
主机部分的硬件电路设计
主机主要包括人机界面和通讯模块,采用AT89C52单片机作为控制核心,其电路如图2所示。系统共设计了5个按键:“加”键、“减”键、“右移”键、“确定”键和“取消”键。操作人员可通过该组按键,依据日历的方式完成多组时间的设定和确认。显示的时间数据包括“年、月、日、时、分”,数据量较大。因此选用192×64个显示单元的LCD显示器。单片机能够直接访问LCD显示器,省去了单片机于LCD之间的液晶显示控制器,降低了系统成本。主机与丛机之间采用RS-232串口通讯,完成数据和控制指令的传输。

图2:主机硬件电路图
从机部分的硬件电路设计
从机由电池供电,需要长时间独立工作于井下125℃以下的高温环境中。因而耐高温、低功耗、高可靠性是从机设计中首要考虑的问题。本系统采用PIC16F876A单片机为核心,实现油井阀门控制器,其硬件结构如图3所示。从机主要包括:时钟控制信号、工作电流控制器、阀门电机驱动器、流量信号采集器。PIC16F876A是美国Microchip公司生产的一种28脚8位单片机,采用哈佛总线结构,在3V工作电压、32KHZ时钟频率时控制工程网版权所有,典型工作电流小于20uA,工作温度范围为-40℃~+125℃,自带异步串行口,符合系统低功耗和高工作温度的要求。

图3:从机硬件电路图
时钟控制信号由MAXIM公司生产的Max7378CMOJ硅振荡器提供。该芯片能够为3V工作电源的微控器提供32.768KHZ的主时钟脉冲,其典型的工作电流为11 uA。工作温度为-40℃~+125℃,具有抗振动和EMI抑制等特性,使其对污浊和潮温的工作环境不敏感,能工作于井下恶劣环境中,满足所设定时间的时钟要求。
工作电源控制器由BG1和BG2等组成,其主要作用是降低系统功耗。在从机工作的绝大部分时间内,仅需时钟工作即可。此时单片机②脚输出低电平,工作电源控制器输出电压Vc为0V。这样,从机中除时钟外其它电路均不供电。只有当所设定的各个时间到时,单片机的②脚才输出10分钟的高电平,此时,Vc电压上升到10V左右,使各部分功能电路上电10分钟,10分钟内足以完成开阀和关阀工作。此种设计方案可使从机在可靠工作条件下功耗有效减小。
阀门电机驱动器由BG4、BG5、J1、J2和IC2C等组成。为所设定的某个开阀时间到时,单片机④脚或⑤脚输出高电平驱动驱动电压正转(或反转),完成开阀(或关阀)功能。当电机正常拖动阀门行进时,电机电流小于其额定值,IC2C输出低电平,不影响驱动工作。当电机拖动阀门到位后,驱动电机堵转,此时电机电流大于其额定值,IC2C输出高电平,单片机检测到此高电平后 ,延时7秒钟后停止驱动器工作,从而完成一次关阀(或开阀工作)。
流量信号采集器由霍尔传感器IC3、IC2A、IC2B及安装在阀门控制器附近油管中的可旋转叶片(叶片上装有磁铁)等组成。其作用是结合井上的抽油作业。可使某次设定的关阀时间失效,即可根据需要改变预先设定的关阀时间。当某次设定的关阀时间到时,井上的抽油正在工作,井下的油管中有液体流动。当


在线会议
论坛
专题
工控直播
新闻中心
子站
技术
社区


中控时间序列大模型TPT免费有奖体验
爱德克SE2L进阶版安全激光扫描仪有奖预约演示
剑维软件电子半导体行业白皮书有奖下载
魏德米勒麒麟系列产品赋能本土工业
Fluke 283 FC 智能万用表震撼来袭


























