本文主要介绍了Jokab Safety(安可保)的机械安全产品在国内最大的注塑机生产厂家——宁波海天集团全电动注塑机产品上的应用。
海天国际自1966年其前身创立发展至今已经历了40年的历史,是国内塑料机械行业公认的排头兵。海天牌注塑机已经批量出口美国、欧洲、南美州、中东、东南亚等几十个国家和地区,产量和销售额居中国同行业首位。
鉴于此机器具有复杂机械运动的特点,其安全系统外围设计有防护房,为了使设备性能稳定,易于维护控制工程网版权所有,我们采用了以瑞典安可保的安全可编程控制器Pluto
该安全控制系统主要功能是实现对全电动注塑机电器安全控制回路的监控(按照欧盟CE标准进行要求设计)。需要监控的安全类输入设备包括:急停装置CONTROL ENGINEERING China版权所有,前后安全门联锁开关,顶盖传感器(开关),喷嘴防护罩检测开关以及各种运动机械的反馈信号检测。其中合模区安全回路的安全等级必须达到四级安全等级;机械手紧急停止、机器紧急停止安全等级达到四级;喷嘴区安全回路安全等级必须达到三级以上。
本系统中所使用的Jokab Safety的Pluto S46安全plc拥有46个独立I/O,其中6个为相互独立的安全输出,16个IQ既可以用作输入又可以用作输出(可以在编程软件中进行定义),其它24 个IO则可以用于安全设备或其它检测设备的输入(如图1)。

图: 1
Pluto的输入可以接收两种模式的信号:静态24V输入和独特的脉冲信号输入,通过对两种信号类型的编程组合使得Pluto可以检测到外部连接设备的所有故障状态,从而达到最高的安全等级,例如:双通道的急停装置CONTROL ENGINEERING China版权所有,一个通道配置为24V输入,另一个通道配置为动态信号输入。还有,Pluto接收到的输入信号都要送至内部双处理器处理,两者一致才产生下一步逻辑。
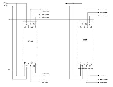
该型号注塑机需要监控的危险性运动机械有:用于搬运抓取的机械手,座台进出机构CONTROL ENGINEERING China版权所有,顶举机构,合模电机,注射机构以及预塑机构。该机器的危险性决定了其安全系统必须达到一定的安全等级,Pluto的安全输出具有双回路内部冗余的特性,完全满足4类安全等级的要求。安全继电器BT51在这里用做安全输出的扩展,根据安全标准EN 954-1、EN13849-2,扩展的安全输出同样具有高的安全等级。另外,Pluto还有若干用于信息指示的非安全输出,可以实现普通PLC的逻辑功能并与其它系统交换信息(如图2)。
图: 2
以Pluto 为核心的安全控制系统和该注塑机旧的安全系统相比,凸显以下四项优势:一是系统整体安全等级显著提高;二是因为Pluto的每个安全输出都是4类安全等级,不需要像旧的系统那样需要串连两个2类等级的输出才能达到安全要求,从而节省了安全输出的连接和数量;三是明显的成本效应,一个Pluto模块就可以完成整个安全系统,相比旧的系统又节省了不少成本;四是易于安全维护,Pluto的编程软件提供许多经过国际安全组织认证的功能块,编程时可以直接调用。Pluto模块的可拆卸端子连接块也使得硬件更换及其简单。
该型号注塑机已经于今年8月顺利通过德国TUV的CE及其他各项国际认证www.cechina.cn,并开始了全球巡展和正式销售。


在线会议
论坛
专题
工控直播
新闻中心
子站
技术
社区


福禄克六大“法宝”帮您搞定过程仪表校准难题
中控时间序列大模型TPT免费有奖体验
爱德克SE2L进阶版安全激光扫描仪有奖预约演示
剑维软件电子半导体行业白皮书有奖下载
魏德米勒麒麟系列产品赋能本土工业



























