0 概述
陶瓷辊道窑是陶瓷行业中最重要的热工设备,主要由窑体、燃烧系统、排烟系统、冷却系统、传动系统及测控系统等部分组成。其控制目标是:在综合消耗最小的情况下,获得满足工艺要求的良好制品。但是,由于窑炉烧制产品时具有大惯性、纯滞后、强非线性及温度、气压等多种变量的耦合特性,要对其进行有效控制往往比较困难。
目前,国内陶瓷窑炉的测控系统一般通过对每个燃烧点进行温度控制实现整个流程所需的温度曲线,每个控制点实行开环或闭环控制,通过PID调节器实现,一般也能获得较好的效果。但相邻被控点之间则没有建立联系,窑炉内的气氛没有或只有简单的开环控制。现场总线陶瓷智能测控系统,是对每个测控点进行单独控制的同时,考虑各点之间的相互关系,对影响整个辊道窑内燃烧风油比的风机进行闭环控制,另外对烧成带关键部分的氧含量进行测控,以提高烧成品质量。
1 控制方式
1.1 PID调节器
对每个测控点进行单独控制一般通过PID调节器来实现。它以单片机为主体,结合外围的继电器、比例阀、调节器等检测与执行机构,构成一个完整的初级计算机控制系统。由于单片机速度及容量的限制,这种控制系统一般只能采用简单的PID或模糊控制算法,按照预先设定的控制参数进行过程控制。但这种系统难以实现诸如参数的自适应调整与在线优化等功能。
1.2 基于CAN总线的控制
将各测控点通过CAN现场总线与上位计算机连接,可实现更加复杂的先进控制与优化,从而适应产品的升级换代和更大幅度的提高产品质量。利用预测控制,可以使关键部位的温度控制精度进一步提高;依靠检测窑内氧含量,保证陶瓷质量必须满足氧含量的要求,通过按燃烧热效率最高在线风油比优化软件来实现控制系统的节能;总结提高产品成品率和产品质量的专家经验,例如为完成气氛控制如何调整窑内含氧量,按窑内的空间分布的温度和压力变化曲线CONTROL ENGINEERING China版权所有,以及烧制者的经验等,并在上位机中通过软件得以实现,从而提高产品质量。
2 测控系统基本组成
针对陶瓷窑炉的控制要求www.cechina.cn,采用CAN总线技术设计的测控系统原理图如图1所示。系统设计时,考虑将各段窑炉上的执行机构和对应段的热电偶用一块CAN总线控制模块进行控制和信号采集,并安装在现场,这样可减少热电偶在传输过程中可能产生的干扰;其它热电偶、氧含量探头以及压力传感器使用CAN总线A/D模块进行控制;风机控制通过D/A模块完成;流量计数据的采集通过计数器模块,风机运行的状态等开关量信号由开关量输入模块完成等。

图1 测控系统原理图
CAN总线的网络适配卡采用PCL-841,其特性是与IBM-PC机兼容又符合CAN协议www.cechina.cn,插入扩展槽内完成CAN协议的通信。各从站模块中模拟量采集及模-数、数-模转换采用ADAM系列模块完成。
3 CAN总线的特点
CAN是开放的现场总线控制工程网版权所有,出于对实时性和降低成本的考虑,CAN总线只采用了开放式互连(OSI)7层参考模型中最关键的两层,即物理层和数据链路层。根据Philips公司制定的CAN技术规范2.0版,其通信距离可达到10Km(5kbps),最高速率达1Mbps(40m)。
CAN总线的物理层主要内容规定了通信介质的机械、电气、功能和规程特性。数据链路层的主要功能是将要发送的数据进行包装,即加上数据差错校验位、数据链路协议的控制信息、头尾标识等附加信息组成数据帧,从物理通道上发送出去,在接到数据帧后再把附加信息去掉得到通信数据。
CAN总线的主要特点:
(1) 实时性:CAN总线数据段长度最多为8个字节,能够满足工业领域中对一个工作点的控制命令或数据采集的要求。
(2) 无主性:网络上的任意一个节点均可以主动地向其它节点发送数据,可方便地构成多机备份系统。
(3) 可靠性:数据每一帧都有循环冗余(CRC)检验和其它检验措施,数据差错率低www.cechina.cn,而且网络上的节点在严重错误时,能够自动关闭总线,退出网络通信而保证总线上的其它操作不受影响。
4 CAN总线的网络接口及系统设计
4.1 CAN总线的网络接口
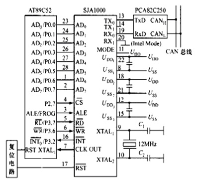
CAN总线网络接口由Philips公司SJA1000芯片和PCA82C250芯片组成。SJA1000是一个独立的CAN控制器,可以工作在BasicCAN和PeliCAN两种不同的工作方式,且支持CAN2.0B协议,具有扩展接口缓冲器、增强错误处理能力和增强验收滤波等功能,可以直接进行CAN总线互连。为了增强驱动能力,使用总线收发器82C250与之配合,其连接电路图如图2所示。
为了提高网络节点的拓扑能力,CAN总线两端需要接有120Ω(R22)的抑制反射的终端电阻,它对匹配总线阻抗起着非常重要的作用。如果忽略此电阻,会使数字通信的抗干扰性和可靠性大大降低,甚至无法通信。



在线会议
论坛
专题
工控直播
新闻中心
子站
技术
社区


中控时间序列大模型TPT免费有奖体验
爱德克SE2L进阶版安全激光扫描仪有奖预约演示
剑维软件电子半导体行业白皮书有奖下载
魏德米勒麒麟系列产品赋能本土工业
Fluke 283 FC 智能万用表震撼来袭



























