1引言
各种测控系统和智能仪器、仪表基本组成包括:传感器、计算机系统、执行器。现在,传感器、执行器的通用性越来越好,设计自动测控系统或智能仪器仪表有标准的4~20mA或0~10mA的标准信号输出的传感器和接受标准驱动信号的执行器供选择,因此,设计者只需设计计算机系统部分,计算机系统基本结构是一致的,仅涉及到具体芯片选择,实现途径大同小异,加之单片机技术的迅猛发展,其集成度越来越高,功能越来越强,接口更容易,如80C198www.cechina.cn,内部有4个带采样保持的10位A/D通道,4个高速触发输入通道,6个高速脉冲发生器的输出可以触发外部事件。一套设计完善的计算机系统便具有极好的通用性。
下面介绍一种比较完善的80C198单片机测控系统。
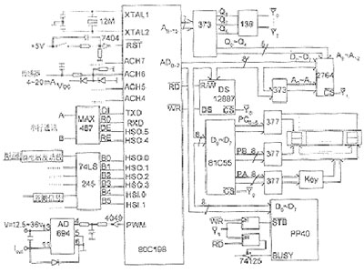
2系统硬件电路原理图及说明
系统主要由传感器及滤波电路、80C19

图1系统硬件原理图
存储器扩展电路:80C198内部存储器容量太小,扩展了一片27C128EPROM和一片DS12887带日历EPROM(可用28C64换www.cechina.cn,电路不变),EPROM中存放测控程序。
键盘/显示器电路:系统采用81C55芯片扩展I/O接口,81C55可扩展三个8位并行口:PA、PB、PC,系统可扩展6×8键盘和8位8段共阳(阴)极LED段显示器,PB口为键盘行输出口,PA口为列输入口,PC口为显示器段选口,LED段及位选信号均由373驱动锁存。
模拟信号输出电路:系统利用80C198内部的PWM波特率发生器(占空比5∶2),经CD4049缓冲器,RC阻容滤波器和集成电压/电流转换器(AD694),输出4~20mA标准信号(改变AD694接法,可输出0~10mA),以供外接计录仪用,或作为模拟量控制的调节器的控制信号。
串口通讯:系统采用含有一个驱动器和一个接收器MAX系列芯片控制工程网版权所有,用于RS485标准和RS422标准通讯。若采用MAX1480,可构成完整的电隔离的RS485/RS422数据通讯接口。
3常用软件流程图(如图2)

图2软件流程图
4系统通用性说明
该系统资源丰富:80C198的ACH4~ACH7四个采样保持的10位A/D通道,可适用于1~4个物理量的检测,HS0.0~HS0.34个高速输出通道可供1~4个物理量的控制或报警。
该系统可移置性好:一种测控系统,只需替换传感器及执行器,计算机硬件不变,软件作少量修改,便是另一种测控系统。如我单位专利产品“纸浆浓度测控系统”(由浓度传感器,该计算机系统及电动调节阀三部分组成),只需将浓度传感器换成压力传感器,电动调节水阀换成电动蒸汽调节阀控制工程网版权所有,软件略做改动便可用于蒸汽压力测控。
该系统扩展性好:由于该系统有4个采样通道和4个输出通道供选用,系统功能便可多可少,其扩展性强。如果“纸浆浓度测控系统”中增加流量测量控制工程网版权所有,便构成纸浆计量系统。而且该计算机可同时用于几个物理量的测控(如浓度、压力、液位等),只要所测物理量不超过4个,控制动作不超过4个。
5结束语
我单位利用该计算机系统开发的7种测控系列产品,在全国造纸厂使用近千套,使用效果理想,为单位及纸厂带来较大的经济效益和社会效益。


在线会议
论坛
专题
工控直播
新闻中心
子站
技术
社区


中控时间序列大模型TPT免费有奖体验
爱德克SE2L进阶版安全激光扫描仪有奖预约演示
剑维软件电子半导体行业白皮书有奖下载
魏德米勒麒麟系列产品赋能本土工业
Fluke 283 FC 智能万用表震撼来袭




























