无源液晶显示模块只需串接在两线制变送器4~20mA回路里控制工程网版权所有,即可显示测量工程值或测量百分比,无需电池或外接电源, 4~20mA信号是两线制变送器的传输标准。通常在控制室用数显表显示其测量工程值,或用计算机数据采集显示。所设计的无源液晶显示模块,只需串接在两线制变送器4~20mA回路里控制工程网版权所有,即可显示测量工程值或测量百分比,无需电池或接入电源。可嵌入到现场仪表的表头就地显示,或安装在控制室集中显示,是一种通用的无源液晶显示模块。
工作原理
显示模块通过两个接线端串接到两线制变送器的4~20mA回路里控制工程网版权所有,通过模块的可调精密并联稳压管产生2.5V的压降,再经过倍压提供模块的5V电源。信号采样电阻产生的最大200mV信号送入模数转换器的差分输入端,转换为数字量进行显示。模数转换器采用抗工频干扰强的双积分模数转换器ICL7106,可以直接驱动3位半液晶显示器,如图1所示。
图1 无源液晶显示模块电路框图
电路设计
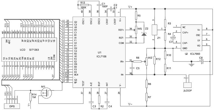
设计电路如图2所示。显示模块通过JLOOP端子串接在4~20mA信号回路。图中Z1是可调精密并联稳压器,吸收电流能力1~100mA。输出电压可用两个外部电阻R3、R4设置至2.5~30V之间的任何值,考虑到模块的压降和ICL7106的工作电压,这里取2.5V。R10、R11、R12串并联为回路信号的取样电阻CONTROL ENGINEERING China版权所有,对于不同的显示量程可便于调整信号满度。
图2 无源液晶显示模块电路图
ICL7660是Intersil公司采用CMOS工艺制成的高效率、小功率低压直流电源变换器,它不仅可将单电源转换成对称输出的双电源www.cechina.cn,还能实现倍压和多倍压输出,ICL7106的电源即由此获得。ICL7106也是Intersil公司生产的专门用于驱动LCD的双积分模数转换器,功耗极低,可由电池供电。芯片内部有时钟电路,外接阻容元件即可构成两级反相RC振荡器(图中R13、C1),内部有基准电压发生电路控制工程网版权所有,在V+与COM之间有一个2.8V典型值的基准电压源,但考虑到其温度稳定性,这里采用外接精密基准LM385-1.2V,再由分压器分压送到ICL7106的差分基准输入端。Ws电位器用来微调显示满度以保证Vref+- Vref-=Vm/2,Vm为满量程。ICL7106的差分输入特性使得IN+和IN-可以接受在共模电压范围内的差分电压,在V-+1~V+-0.5范围内,A/D转换器具有86dB的共模抑制比。图中Wz、R6、R7分压接入测量输入IN+端,Wz用于调整量程下限。R8、C5组成低通滤波以滤去干扰。M1用于驱动小数点,DPS用于选择小数点显示位置。LCD SI71263是长沙太阳人公司生产的小型三位半液晶显示器。整个电路简单实用,采用表面贴封装的元件做成小型液晶显示模块,可直接嵌入到现场仪表的表头。
无源液晶显示模块的实现方法切实可行,具有设计简单、工作可靠等优点,具有很好的参考价值和实用性。
参考文献
1. Intersil Co. ICL7106 Data Sheet. October 25CONTROL ENGINEERING China版权所有,2004
2. Intersil Co. ICL7660 Data Sheet. October 25CONTROL ENGINEERING China版权所有,2004


在线会议
论坛
专题
工控直播
新闻中心
子站
技术
社区


2026具身智能机器人电子制造应用研讨会
福禄克六大“法宝”帮您搞定过程仪表校准难题
中控时间序列大模型TPT免费有奖体验
爱德克SE2L进阶版安全激光扫描仪有奖预约演示
剑维软件电子半导体行业白皮书有奖下载


























