利用图形化编程语言LabVIEW及其PID工具包能方便、高效地进行PID控制器设计。若将其与传感器、信号调理电路、数据采集卡等硬件设备良好结合,即可构成基于虚拟仪器的控制系统。
虚拟仪器控制系统中控制策略和控制算法的软件实现是测控系统重要组成部分,是测控系统中控制部分的核心内容。本文首先详细地阐述测控系统中增量型PID控制器的设计原理及程序实现,然后介绍将增量型PID控制器应用到基于虚拟仪器的电压控制系统中的方案。
电压测控系统软件控制器原理与实现
1 PID控制原理
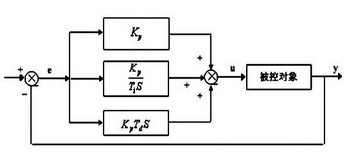
PID控制器是一种线性控制器。在连续控制系统中,用输出量y(t)和给定量r(t)之间的误差时间函数的比例、积分、微分线性组合构成控制量u(t)。其框图如图1所示。

图1 ID控制器方框图
为了实现计算机控制,则须将连续PID算式离散化,变为数字PID算式。实际应用中采用后向差分法作为离散化方法,可由稳定的模拟控制器得到稳定的数字控制器。当采样周期T远小于信号变化周期时,作如下近似(T足够小时控制工程网版权所有,如下逼近相当准确,被控过程与连续系统十分相似)。

2 增量型P
ID控制器程序实现
LabVIEW的PID工具包中实现位置型PID算法具体如下:

sp—设定点即被控过程变量指定的理想值,pv—过程变量即被控制的系统参数。由于sp的值可能随时改变,为了避免sp突变造成的影响,微分环节采用对pv的偏微分,而不是一般用到的误差的偏微分。将式(4)的微分部分作如下变形:

所得相应流程图如图2所示。

图2 增量型PID算法流程图
电压测控系统硬件构成
此系统所涉及的DC/DC变换器是额定功率为55kW、峰值功率为60.5kW的单项DC/DC变换器。它的正常输入电压为0~600V,输出电流为0~216A。
DC/DC变换器输入电压测控系统是单输入单输出系统,因此选用PCI总线结合数据采集板卡即PCI-DAQ模式的虚拟仪器构建该控制系统控制工程网版权所有,采用霍尔电压传感器获得现场电压信号。数据采集卡选用NI公司最新推出的高速高精度PCI-6251M板卡。由于输入输出都有各自的定时/控制及缓存芯片,因此只用一块卡就可同时完成控制系统的输入输出。
要实现对DC/DC变换器输入电压的良好控制,必须保证采集卡输出的控制脉冲与执行机构的输出之间能够实现精确的同步。基于此要求,采用步进电机后面带调压器作为采集卡数字I/O输出的执行机构。
利用NI公司的集成测试环境所设计的基于虚拟仪器的DC/DC变换器输入电压测控系统如图3所示。

图3 电压测控系统结构框图
电压测控系统的仿真与实现
1 执行机构数学模型
步进电机是一种将电脉冲转化为角位移的执行机构,可以通过控制脉冲个数来控制角位移量,从而达到准确定位的目的。为了利用PID控制器来控制它控制工程网版权所有,以三相反应式步进电机为例推导得出其在单相励磁的情况下的传递函数。
(12)
其中J 、Zr分别为转子转动惯量及齿数;ia为A相电流;L为绕组的电感;D为电动机的黏滞阻尼系数。取L(H)= 0.01002,Zr=40,J( kg·m2)=1.08,D=0.031。
期望角位移输出θ=1.5,取ia=1.0,这样得到步进电机的传递函数为:
(13)
可见得出的步进电机为二阶系统模型。
选用的变压器为带触头的线性调压器,即调压器的传递函数为常数。步进电机的输出角度通过机械传动转换为触头的直线位移。通过触头位置的改变来改变匝数比,从而改变输出电压,起到调压的目的。因此整个执行机构为一个二阶系统。
2 仿真结果与分析
用在LabVIEW 中的位置型的基础上设计的增量型PID控制器对传递函数为式(13)所示的二阶系统执行机构进行仿真。得到的阶跃响应曲线仿真结果如图4所示。
从仿真曲线我们可以看到,采用增量型PID控制策略时,能很快就达到步距角控制工程网版权所有,波动较小CONTROL ENGINEERING China版权所有,控制平稳,满足了测控系统的要求。
3 测控系统程序实现
由于LabVIEW的运行环境Windows是一个抢先制多任务操作系统,其他运行的应用程序会影响到控制回路的速度。为了保证采集控制过程不受用户操作的影响故使用硬件定时控制回路,可以得到精确的模拟输入采样率和输出刷新率。PID VI使用系统时钟来计算循环周期时间。由于操作系统时钟最小长度为1ms,当循环周期小于1ms基于虚拟仪器的增量型PID控制系统设计时必须明确指定dt的值。

图4 增量型PID控制器仿真结果
在硬件时控制回路中,AI Timing VI和AO Timing VI均采用简单时钟信


在线会议
论坛
专题
工控直播
新闻中心
子站
技术
社区



2025 Raythink燧石红外热像仪有奖试用
魏德米勒麒麟系列产品赋能本土工业
Fluke 283 FC 智能万用表震撼来袭
SugonRI2.0工业编程平台免费有奖试用
IDEC HR8S系列新一代安全继电器有奖试用活动


























