一、前 言
中科院等离子体物理研究所国家九五重点工程HT-7U核聚变装置中的微波功率速调管能量来源于阴极高压直流电源[1]。该系统需要采集和控制各种等级的高压大电流信号和接触器,同时由于高压场合特殊性更需要可靠安全的操作控制系统CONTROL ENGINEERING China版权所有,因此需要设计一个多点信号监控方便,自动化水平高,抗干扰能力强,人机界面操作合理的控制系统。以可编程控制器PLC为处理核心的微机控制方式已经在常规电压等级场合实现了海量继电器控制系统,其抗干扰能力强CONTROL ENGINEERING China版权所有,I/O信号处理组态化等优点使得建造控制系统变得方便快捷,安全可靠。选配相应的上位机开发软件如VC或专业组态控制软件做友好的人机监控界面,就更加变得通用方便,本文就实际研制的高压直流电源控制系统介绍了相关的计算机控制系统的实际设计和应用过程,不仅具备了PLC控制海量继电器的优点,而且在处理模拟量反馈控制方面和上下位机实时通讯也进行了独特的处理。
二、控制系统硬件设计
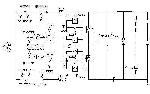
35KV/80A的脉冲高压调制电源控制系统是一个具备高压大电流测量,继电器控制各类开关接触器控制工程网版权所有,模拟量反馈输出控制各类执行器的系统,控制系统必须在离高压设备相对安全区域内实时监控高压设备,并且要处理并避免控制电缆受强磁场干扰以保证控制精度和可靠性。高压直流制电源控制系统(见图1) 由96点的开关量和32点模拟量控制构成,控制对象为直流高压35KV/80A反馈输出,需要通过霍尔传感器和分压器及隔离放大器采样各类等级的电压电流信号和外部中断控制信号,控制执行器主要由各类高低电压接触器,步进电机和可控硅触发板构成。

图1 高压直流电源控制系统
根据高压直流电源的监控信号进行处理和归类。表1显示了系统部分所需监控的模数参数,主要包括接触器和断路器的开关量控制和状态测量,可控硅的模拟量控制及系统模拟电量和其他各类外部触发信号的采集。

表1 控制系统部分参数说明
选用研华工控机和组态王(KingView)构成上位机来监控下位机状态和编制人机操作界面(见图2),以MPI通信电缆串行方式与下位机通讯,速率187.5Kb。通过中间寄存器对下位机进行寻址读写以完成上下位机实时通讯。

图2 上下位机通讯方式
下位机采用了西门子S7300系列PLC产品,硬件配置具体包括西门子CPU314,24V直流电源,16路DI数字量输入模块,16路DO数字量输出模块,4路AO模拟量输出模块及6路AI/AO模拟量输入/输出模块。控制系统的测量采集和控制传感器主要包括高压输出信号进行线性降压并隔离www.cechina.cn,霍尔元件和隔离放大器等传感器对信号进行预处理。24V电平控制设计固态继电器和晶体管驱动各类开关,模拟量可控硅触发板设计触发高压整流设备。图3描述了电源控制系统的基本硬件配置。

图3 高压直流电源控制系统的基本硬件配置
同时由于高压设备的特殊环境,下位机现场的电缆合理布线是避免控制电缆在高压区域受强磁场干扰以保证控制精度和可靠性的关键。系统对开关量的测控采用固态继电器做中间环节二次触发和接收现场接触器的信号和状态控制工程网版权所有,一个具备高压大电流测量,继电器控制各类开关接触器控制工程网版权所有,霍尔元件传感器感应采集模拟量反馈信号,控制电缆采用屏蔽双绞线穿管走线,保证了控制系统的可靠性。
三、控制系统软件设计
&


在线会议
论坛
专题
工控直播
新闻中心
子站
技术
社区


剑维软件电子半导体行业白皮书有奖下载
魏德米勒麒麟系列产品赋能本土工业
Fluke 283 FC 智能万用表震撼来袭
SugonRI2.0工业编程平台免费有奖试用
IDEC HR8S系列新一代安全继电器有奖试用活动



























