大型LED显示系统已经广泛应用于各种室内外场合CONTROL ENGINEERING China版权所有,但由于其多采用多机系统,提高了系统成本和软硬件设计复杂度。多机系统工作时,本质上相当于一个高总线宽度的计算机系统。其技术难点如下:
◆大型LED显示屏上的像素数以万计,随着显示面积增大,电路结构随之增大。
◆为了保证一定的显示质量,帧频应在30帧/s以上。对于一个512×252的单色LED屏,每秒的数据传输量至少为480 KB以上,对于彩屏及显示质量高的场合,数据传输量还将按整数倍增长。
◆当LED屏位于室外时,上下位机通信可能在百米甚至千米以上,要求通信速度快且可靠。
鉴于上述前两个技术难点,为能够使用单CPU系统代替多机系统控制大型LED显示系统,采取的应对策略如下:
◆大型的lED屏由通用的显示模块组成,显示模块具有良好的通用性和可嵌入性。
◆使用16位并行总线数据传输方式,要显示相应位置的显示模块,模块上的列锁存单元能够准确选通,使横向级联的LED显示模块能够被视为一段连续的存储单元。
◆使用S3C44BOX内部的DMA控制器进行数据的传输和控制,节省了使用指令传输数据
1 硬件结构及原理
大型LED显示系统一般分为主控板和显示驱动模块两部分。
1.1 显示模块
现今,大型LED显示系统是利用人眼视觉特点采用逐行扫描和列驱动方式以节省硬件开支的www.cechina.cn,本系统采用1/16逐行扫描方式,所以整个大型LED屏被分为16行同名行,显示模块原理图如图1所示。
每个显示模块为1个64×32的小点阵屏,分为两部分,上下各16行,每部分有8组列数据锁存器。上下两部分复用1个4-16译码器U1,选通驱动1/16逐行扫描显示,并需要16组列驱动锁存器锁存列显示数据。采用并行总线数据传输方式时,需要1个4-16译码器U2选通使能列锁存器。在点阵刷新时,需要使用两级锁存器锁存列显示数据,否则会出现显示拖尾现象。本次正在显示的数据存在第二级锁存器中,主控板对屏端第一级锁存器写下一行要显示的数据进行列数据刷新,当下一行要显示的数据传输完毕后,一起锁存到第二级锁存器输出并选通驱动下一行显示。采用并行总线方式下二级锁存器仍比数据串行传输再转成并行输出的方案经济。
显示模块与模块之间横向级联时,运用错位级联的思想,使其具有良好的通用性和可嵌入性。如图1所示,选通线每到一级时就会错位一次并传到下一级,总是使第一根选通线BLK_EN0作第一级列锁存器译码器的使能控制线,这样n根选通线就能依次选通n级横向级联模块。这样就可以用相同的显示模块任意组合成横向级联的条屏。
运用错位级联思想,使横向级联的显示模块上的第一级锁存器的译码器U2能够依次选通控制工程网版权所有,该译码器又能依次选通第一级列数据锁存器,这样横向级联屏上的第一级列数据锁存器就能看成一段连续的存储单元,这是使用DMA并行数据传输控制的基础。
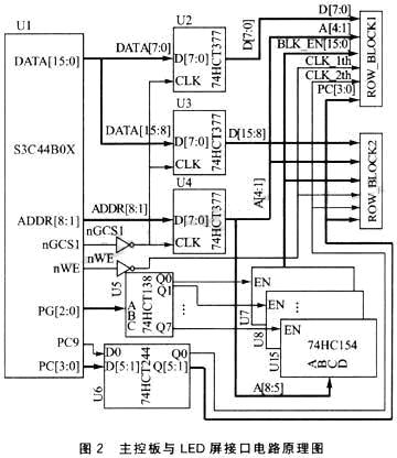
1.2 主控电路与LED屏的接口设计
本显示系统选用基于ARM7TDMI内核并带有内部DMA控制器的S3C44BOX作主控制器,使其工作在ARM状态CONTROL ENGINEERING China版权所有,并使用16位总线。由于把LED屏虚拟的视为一段连续的存储单元,故为其分配地址空间0x2000000~Ox4000000。
主控电路与LED屏接口应能实现以下功能:
◆选通任意位置的显示模块及该模块上的第一级列数据锁存器。将该位置要显示的点阵码准确锁存,并能在第一级列数据锁存器数据刷新后,将刷新数据锁存到第二级列数据锁存器并输出。
◆能控制选通驱动16行同名行中的一行进行逐行扫描显示。
◆实现主控芯片3.3 V到LED屏5V的逻辑电平转换。
主控板与LED屏接口电路原理图如图2所示。
一个大型LED屏的结构可分为纵向级联和横向级联,这种结构类似于一个三维数组。假设一个三维数组LED[i][j][k],其中:
i=0,1,2,…,m 表示LED屏纵向级联级的序号。
j=0,1,2,…,n 表示LED屏横向级联级的序号。
k=O,1,2,…,16 表示显示模块上16个第一级列数据锁存器的序号。
由于系统使用16位并行总线数据传输方式,并将LED屏视为一段连续的存储单元CONTROL ENGINEERING China版权所有,故使用A[4:1]作显示模块上选通第一级列数据锁存器译码器 (图1中U2)的译码输入,即为三维数组的k变量;使用A[8:5]作选通横向级联显示模块的译码器(图2中U7)译码输入,即为三维数组的j变量;由于 LED屏要具有良好的灵活性,又由于采用DMA传输数据要


在线会议
论坛
专题
工控直播
新闻中心
子站
技术
社区


2026具身智能机器人电子制造应用研讨会
福禄克六大“法宝”帮您搞定过程仪表校准难题
中控时间序列大模型TPT免费有奖体验
爱德克SE2L进阶版安全激光扫描仪有奖预约演示
剑维软件电子半导体行业白皮书有奖下载


























